Hledej Zobraz: Univerzity Kategorie Rozšířené vyhledávání

12 662
projektů

Materiálová část semestrálního projektu

«»
Přípona
.doc
Typ
výpočet
Stažené
0 x
Velikost
0,1 MB
Jazyk
český
ID projektu
7785
Poslední úprava
11.04.2016
Zobrazeno
1 568 x
Autor:
mira.hejda
Facebook icon Sdílej na Facebooku
Detaily projektu
Popis:
Zadání:
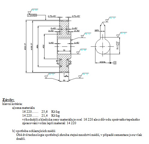
Pro danou ozubenou soucást prevodovky vypracujte podrobný postup tepelného zpracování (TZ), prípadne chemicko-tepelného zpracování (CHTZ). Uvažujte potrebné mechanické vlastnosti, konstrukcní, technologické a ekonomické hledisko. Navrhnete pro uvažovanou soucást alternativní materiál s jiným typem tepelného (chemicko-tepelného) zpracování.

Instrukce:
• Pro ozubený díl prevodovky zadaný v Technologické cásti Projektu navrhnete vhodný materiál a vypracujte podrobný postup tepelného zpracování.
• Vypracujte bodový technologický postup výroby soucásti vcetne výrobního výkresu.
• Uvažujte konstrukcní, technologické a ekonomické hledisko výroby.
• Pro stejnou soucást navrhnete alternativní materiál s jiným typem TZ (CHTZ).

Klíčová slova:

konstrukce

mechanismy

materiálové inženýrství

chemicko-tepelné zpracování

termograf



Obsah:
  • Zadání:
    Instrukce:
    Postup chemicko-tepelného zpracování
    Kontrola:
    Postup chemicko-tepelného zpracování:
    Kontrola:
    Závěr:
    Použité zdroje:
O souborech cookie na této stránce

Soubory cookie používáme pro funkční účely, pro shromažďování a analýzu informací o výkonu a používání stránky.

Nastavení Povolit vše